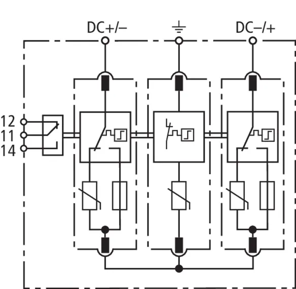
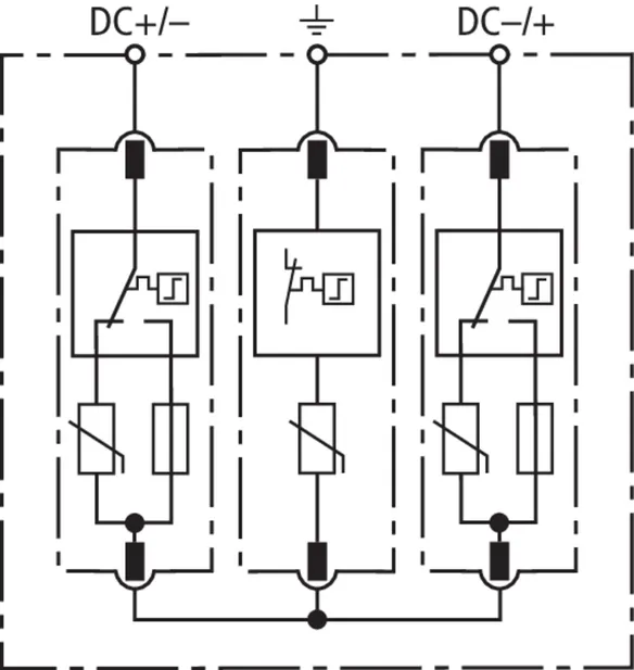
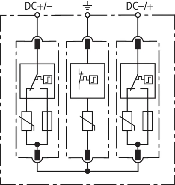
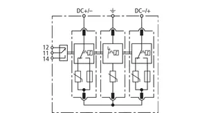
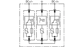
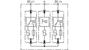
DEHNguard modular (Y)PV SCI ...

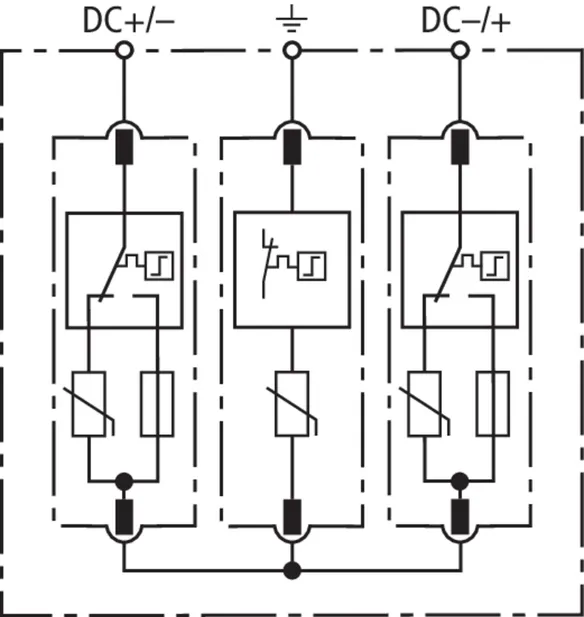
  • Kompletně zapojená, modulární jednotka určená pro ochranu fotovoltaických aplikací, složená ze základního dílu a zásuvných ochranných modulů
  • Kombinované odpojovací a zkratovací zařízení s bezpečným odpojením ochranného modulu (patentovaný princip SCI)
  • Osvědčené zapojení do Y svodičů řady DEHNguard M YPV SCI ... (FM) zabraňuje škodám na svodičích přepětí při poruše izolace v obvodech FV střídače
  • Svodiče jsou testovány podle ČSN EN 61643-31
  • Instalace ve všech fotovoltaických systémech podle IEC 60364-7-712 (ČSN 33 2000-7-712)

Details

lorem ipsum
Třístupňové stejnosměrné odpojovací a zkratovací zařízení (patentovaný princip SCI)
lorem ipsum

DEHNguard M YPV SCI ...

Vícepólový, modulární svodič přepětí s třístupňovým stejnosměrným odpojovacím a zkratovacím zařízením, pro fotovoltaické aplikace.

3 Produkty

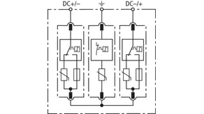
Obj. č. 952513 DG M YPV SCI 150

GTIN 4013364136663, Číslo celního sazebníku (EU): 85363030, Váha brutto: 289.70 g, Balící jednotka: 1.00 ks


Vyobrazení

Další informace

Svodič přepětí DEHNguard M YPV SCI 150
vícepólový, modulární, zásuvný svodič přepětí pro fotovoltaiku do 150 V DC
s třístupňovým DC odpojovacím zařízením, šířka 3 TE
ukazatel poruchy
typ 2 podle EN 50539-11
pro použití v souladu s IEC 60364-7-712
bezpečné elektrické odpojení v ochranném modulu
maximální FV napětí: <= 150 V dc
celkový impulzní proud: 40 kA
ochranná úroveň: <= 0,8 kV
zkratová pevnost Iscpv: 10 kA

Výrobek: DEHN
Typ: DG M YPV SCI 150
Obj. č.: 952513
nebo rovnocenný.

Certifikáty

 

Technologie SCI

Patentovaná technologie SCI od firmy DEHN zajišťuje aktivní, rychlé a bezpečné uhašení elektrického oblouku v případě přetížení. Pojistka integrovaná ve zkratovacím impulzu vybaví ihned po přerušení vzniklého oblouku a zajistí bezpečné elektrické odpojení. Díky tomu poskytují všechny vodiče pro fotovoltaiku od firmy DEHN ochranu před účinky přepětí, požárem a zdraví v jednom přístroji.

Technické informace

SPD podle ČSN EN 61643-31 / ... IEC 61643-31 Typ 2
Max. svorkové napětí FV (UCPV ) 150 V
Zkratová pevnost (ISCPV ) 10 kA
Jmenovitý impulzní proud (8/20 µs) [(DC+/DC-) --> PE] (In ) 10 kA
Max. impulzní proud (8/20 µs) [(DC+/DC-) --> PE] (Imax ) 20 kA
Ochranná úroveň (UP ) ≤ 0,8 kV
Certifikace KEMA, UL, CSA

Produkt 952513 byl přidán na seznam.

K seznamu

Produkt 952513 byl přidán do nákupního košíku.

Obj. č. 952510 DG M YPV SCI 1000

GTIN 4013364126428, Číslo celního sazebníku (EU): 85363030, Váha brutto: 361.40 g, Balící jednotka: 1.00 ks

Staré provedení

Vyobrazení

Další informace

Svodič přepětí DEHNguard M YPV SCI 1000
vícepólový, modulární, zásuvný svodič přepětí pro fotovoltaiku do 1000 V DC
s třístupňovým DC odpojovacím zařízením, šířka 3 TE
ukazatel poruchy
typ 2 podle EN 61643-31
pro použití v souladu s IEC 60364-7-712
bezpečné elektrické odpojení v ochranném modulu
maximální FV napětí: <= 1000 V dc
celkový impulzní proud: 40 kA
ochranná úroveň: <= 4 kV
zkratová pevnost Iscpv: 10 kA

Výrobek: DEHN
Typ: DG M YPV SCI 1000
Obj. č.: 952510
nebo rovnocenný.

Certifikáty

 

Technologie SCI

Patentovaná technologie SCI od firmy DEHN zajišťuje aktivní, rychlé a bezpečné uhašení elektrického oblouku v případě přetížení. Pojistka integrovaná ve zkratovacím impulzu vybaví ihned po přerušení vzniklého oblouku a zajistí bezpečné elektrické odpojení. Díky tomu poskytují všechny vodiče pro fotovoltaiku od firmy DEHN ochranu před účinky přepětí, požárem a zdraví v jednom přístroji.

Technické informace

SPD podle ČSN EN 61643-31 / ... IEC 61643-31 typ 2/Třída II
Max. svorkové napětí FV (UCPV ) 1000 V
Zkratová pevnost (ISCPV ) 10 kA
Jmenovitý impulzní proud (8/20 µs) [(DC+/DC-) --> PE] (In ) 12,5 kA
Max. impulzní proud (8/20 µs) [(DC+/DC-) --> PE] (Imax ) 25 kA
Ochranná úroveň (UP ) ≤ 4 kV
Certifikace KEMA, UL, CSA

Produkt 952510 byl přidán na seznam.

K seznamu

Produkt 952510 byl přidán do nákupního košíku.

Obj. č. 952512 DG M YPV SCI 1200

GTIN 4013364127951, Číslo celního sazebníku (EU): 85354000, Váha brutto: 356.50 g, Balící jednotka: 1.00 ks

Staré provedení

Vyobrazení

Další informace

Svodič přepětí DEHNguard M YPV SCI 1200
vícepólový, modulární, zásuvný svodič přepětí pro fotovoltaiku do 1200 V DC
s třístupňovým DC odpojovacím zařízením, šířka 3 TE
ukazatel poruchy
typ 2 podle EN 61643-31
pro použití v souladu s IEC 60364-7-712
bezpečné elektrické odpojení v ochranném modulu
maximální FV napětí: <= 1200 V dc
celkový impulzní proud: 30 kA
ochranná úroveň: <= 4,5 kV
zkratová pevnost Iscpv: 10 kA

Výrobek: DEHN
Typ: DG M YPV SCI 1200
Obj. č.: 952512
nebo rovnocenný.

Certifikáty

 

Technologie SCI

Patentovaná technologie SCI od firmy DEHN zajišťuje aktivní, rychlé a bezpečné uhašení elektrického oblouku v případě přetížení. Pojistka integrovaná ve zkratovacím impulzu vybaví ihned po přerušení vzniklého oblouku a zajistí bezpečné elektrické odpojení. Díky tomu poskytují všechny vodiče pro fotovoltaiku od firmy DEHN ochranu před účinky přepětí, požárem a zdraví v jednom přístroji.

Technické informace

SPD podle ČSN EN 61643-31 / ... IEC 61643-31 typ 2/Třída II
Max. svorkové napětí FV (UCPV ) 1200 V
Zkratová pevnost (ISCPV ) 10 kA
Jmenovitý impulzní proud (8/20 µs) [(DC+/DC-) --> PE] (In ) 12,5 kA
Max. impulzní proud (8/20 µs) [(DC+/DC-) --> PE] (Imax ) 25 kA
Ochranná úroveň (UP ) ≤ 4,5 kV
Certifikace KEMA, CSA

Produkt 952512 byl přidán na seznam.

K seznamu

Produkt 952512 byl přidán do nákupního košíku.


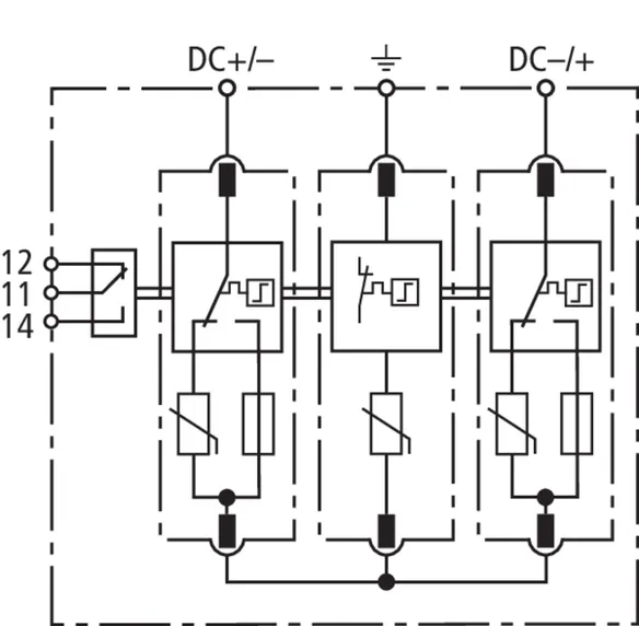
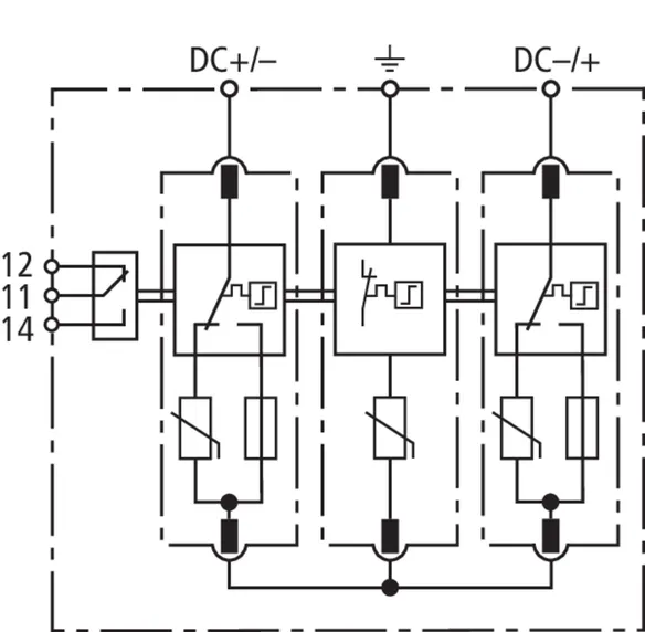
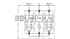
DEHNguard M YPV SCI ... FM

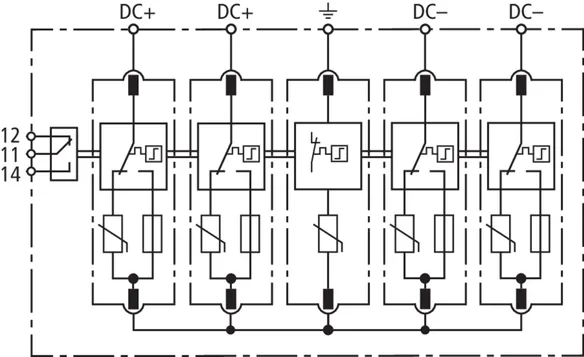
Vícepólový, modulární svodič přepětí s třístupňovým stejnosměrným odpojovacím a zkratovacím zařízením, pro fotovoltaické aplikace; s kontaktem dálkové signalizace pro systém monitorování stavu (bezpotenciálový přepínač).

3 Produkty

Obj. č. 952518 DG M YPV SCI 150 FM

GTIN 4013364136670, Číslo celního sazebníku (EU): 85363030, Váha brutto: 297.00 g, Balící jednotka: 1.00 ks


Vyobrazení

Další informace

Svodič přepětí DEHNguard M YPV SCI 150 FM
vícepólový, modulární, zásuvný svodič přepětí pro fotovoltaiku do 150 V DC
s třístupňovým DC odpojovacím zařízením, šířka 3 TE
ukazatel poruchy s kontaktem dálkové signalizace
typ 2 podle EN 50539-11
pro použití v souladu s IEC 60364-7-712
bezpečné elektrické odpojení v ochranném modulu
maximální FV napětí: <= 150 V dc
celkový impulzní proud: 40 kA
ochranná úroveň: <= 0,8 kV
zkratová pevnost Iscpv: 10 kA

Výrobek: DEHN
Typ: DG M YPV SCI 150 FM
Obj. č.: 952518
nebo rovnocenný.

Certifikáty

 

Technologie SCI

Patentovaná technologie SCI od firmy DEHN zajišťuje aktivní, rychlé a bezpečné uhašení elektrického oblouku v případě přetížení. Pojistka integrovaná ve zkratovacím impulzu vybaví ihned po přerušení vzniklého oblouku a zajistí bezpečné elektrické odpojení. Díky tomu poskytují všechny vodiče pro fotovoltaiku od firmy DEHN ochranu před účinky přepětí, požárem a zdraví v jednom přístroji.

Technické informace

SPD podle ČSN EN 50539-11 typ 2
Max. svorkové napětí FV (UCPV ) 150 V
Zkratová pevnost (ISCPV ) 10 kA
Jmenovitý impulzní proud (8/20 µs) [(DC+/DC-) --> PE] (In ) 10 kA
Max. impulzní proud (8/20 µs) [(DC+/DC-) --> PE] (Imax ) 20 kA
Ochranná úroveň (UP ) ≤ 0,8 kV
Certifikace KEMA, UL, CSA
Kontakt dálkové signalizace/typ kontaktu přepínač

Produkt 952518 byl přidán na seznam.

K seznamu

Produkt 952518 byl přidán do nákupního košíku.

Obj. č. 952515 DG M YPV SCI 1000 FM

GTIN 4013364126435, Číslo celního sazebníku (EU): 85363030, Váha brutto: 343.90 g, Balící jednotka: 1.00 ks

Staré provedení

Vyobrazení

Další informace

Svodič přepětí DEHNguard M YPV SCI 1000 FM
vícepólový, modulární, zásuvný svodič přepětí pro fotovoltaiku do 1000 V DC
s třístupňovým DC odpojovacím zařízením, šířka 3 TE
ukazatel poruchy s kontaktem dálkové signalizace
typ 2 podle EN 61643-31
pro použití v souladu s IEC 60364-7-712
bezpečné elektrické odpojení v ochranném modulu
maximální FV napětí: <= 1000 V dc
celkový impulzní proud: 40 kA
ochranná úroveň: <= 4 kV
zkratová pevnost Iscpv: 10 kA

Výrobek: DEHN
Typ: DG M YPV SCI 1000 FM
Obj. č.: 952515
nebo rovnocenný.

Certifikáty

 

Technologie SCI

Patentovaná technologie SCI od firmy DEHN zajišťuje aktivní, rychlé a bezpečné uhašení elektrického oblouku v případě přetížení. Pojistka integrovaná ve zkratovacím impulzu vybaví ihned po přerušení vzniklého oblouku a zajistí bezpečné elektrické odpojení. Díky tomu poskytují všechny vodiče pro fotovoltaiku od firmy DEHN ochranu před účinky přepětí, požárem a zdraví v jednom přístroji.

Technické informace

SPD podle ČSN EN 61643-31 / ... IEC 61643-31 typ 2/Třída II
Max. svorkové napětí FV (UCPV ) 1000 V
Zkratová pevnost (ISCPV ) 10 kA
Jmenovitý impulzní proud (8/20 µs) [(DC+/DC-) --> PE] (In ) 12,5 kA
Max. impulzní proud (8/20 µs) [(DC+/DC-) --> PE] (Imax ) 25 kA
Ochranná úroveň (UP ) ≤ 4 kV
Certifikace KEMA, UL, CSA
Kontakt dálkové signalizace/typ kontaktu přepínač

Produkt 952515 byl přidán na seznam.

K seznamu

Produkt 952515 byl přidán do nákupního košíku.

Obj. č. 952517 DG M YPV SCI 1200 FM

GTIN 4013364127968, Číslo celního sazebníku (EU): 85354000, Váha brutto: 359.30 g, Balící jednotka: 1.00 ks

Staré provedení

Vyobrazení

Další informace

Svodič přepětí DEHNguard M YPV SCI 1200 FM
vícepólový, modulární, zásuvný svodič přepětí pro fotovoltaiku do 1200 V DC
s třístupňovým DC odpojovacím zařízením, šířka 3 TE
ukazatel poruchy s kontaktem dálkové signalizace
typ 2 podle EN 61643-31
pro použití v souladu s IEC 60364-7-712
bezpečné elektrické odpojení v ochranném modulu
maximální FV napětí: <= 1200 V dc
celkový impulzní proud: 30 kA
ochranná úroveň: <= 4,5 kV
zkratová pevnost Iscpv: 10 kA

Výrobek: DEHN
Typ: DG M YPV SCI 1200 FM
Obj. č.: 952517
nebo rovnocenný.

Certifikáty

 

Technologie SCI

Patentovaná technologie SCI od firmy DEHN zajišťuje aktivní, rychlé a bezpečné uhašení elektrického oblouku v případě přetížení. Pojistka integrovaná ve zkratovacím impulzu vybaví ihned po přerušení vzniklého oblouku a zajistí bezpečné elektrické odpojení. Díky tomu poskytují všechny vodiče pro fotovoltaiku od firmy DEHN ochranu před účinky přepětí, požárem a zdraví v jednom přístroji.

Technické informace

SPD podle ČSN EN 61643-31 / ... IEC 61643-31 typ 2/Třída II
Max. svorkové napětí FV (UCPV ) 1200 V
Zkratová pevnost (ISCPV ) 10 kA
Jmenovitý impulzní proud (8/20 µs) [(DC+/DC-) --> PE] (In ) 12,5 kA
Max. impulzní proud (8/20 µs) [(DC+/DC-) --> PE] (Imax ) 25 kA
Ochranná úroveň (UP ) ≤ 4,5 kV
Certifikace KEMA, CSA
Kontakt dálkové signalizace/typ kontaktu přepínač

Produkt 952517 byl přidán na seznam.

K seznamu

Produkt 952517 byl přidán do nákupního košíku.


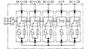
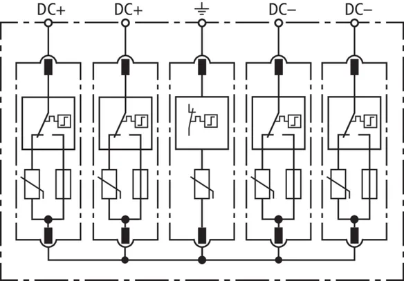
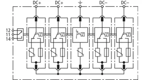
DEHNguard M PV2 SCI ... (FM)

Vícepólový, modulární svodič přepětí s třístupňovým stejnosměrným odpojovacím a zkratovacím zařízením, pro ochranu dvou vstupů; pro FV aplikace do 1000 V; v provedení FM s bezpotenciálovým kontaktem dálkové signalizace.

2 Produkty

Obj. č. 952514 DG M PV2 SCI 1000

GTIN 4013364224964, Číslo celního sazebníku (EU): 85363030, Váha brutto: 588.00 g, Balící jednotka: 1.00 ks


Vyobrazení

Další informace

Svodič přepětí DEHNguard M PV2 SCI 1000
vícepólový, modulární, zásuvný svodič přepětí pro fotovoltaiku do 1000 V DC
s třístupňovým DC odpojovacím zařízením, šířka 5 TE
ukazatel poruchy
typ 2 podle EN 61643-31
pro použití v souladu s IEC 60364-7-712
chrání 2 vstupy
bezpečné elektrické odpojení v ochranném modulu
maximální FV napětí: <= 1000 V dc
celkový impulzní proud: 40 kA
ochranná úroveň: <= 4 kV
zkratová pevnost Iscpv: 10 kA

Výrobek: DEHN
Typ: DG M PV2 SCI 1000
Obj. č.: 952514
nebo rovnocenný.

Certifikáty

 

Technologie SCI

Patentovaná technologie SCI od firmy DEHN zajišťuje aktivní, rychlé a bezpečné uhašení elektrického oblouku v případě přetížení. Pojistka integrovaná ve zkratovacím impulzu vybaví ihned po přerušení vzniklého oblouku a zajistí bezpečné elektrické odpojení. Díky tomu poskytují všechny vodiče pro fotovoltaiku od firmy DEHN ochranu před účinky přepětí, požárem a zdraví v jednom přístroji.

Technické informace

SPD podle ČSN EN 61643-31 / ... IEC 61643-31 typ 2/Třída II
Max. svorkové napětí FV (UCPV ) 1000 V
Zkratová pevnost (ISCPV ) 10 kA
Jmenovitý impulzní proud (8/20 µs) [(DC+/DC-) --> PE] (In ) 12,5 kA
Max. impulzní proud (8/20 µs) [(DC+/DC-) --> PE] (Imax ) 25 kA
Ochranná úroveň (UP ) ≤ 4 kV
Certifikace UL, KEMA

Produkt 952514 byl přidán na seznam.

K seznamu

Produkt 952514 byl přidán do nákupního košíku.

Obj. č. 952519 DG M PV2 SCI 1000 FM

GTIN 4013364224971, Číslo celního sazebníku (EU): 85363030, Váha brutto: 599.00 g, Balící jednotka: 1.00 ks


Vyobrazení

Další informace

Svodič přepětí DEHNguard M PV2 SCI 1000 FM
vícepólový, modulární, zásuvný svodič přepětí pro fotovoltaiku do 1000 V DC
s třístupňovým DC odpojovacím zařízením, šířka 5 TE
ukazatel poruchy s kontaktem dálkové signalizace
typ 2 podle EN 61643-31
pro použití v souladu s IEC 60364-7-712
chrání 2 vstupy
bezpečné elektrické odpojení v ochranném modulu
maximální FV napětí: <= 1000 V dc
celkový impulzní proud: 40 kA
ochranná úroveň: <= 4 kV
zkratová pevnost Iscpv: 10 kA

Výrobek: DEHN
Typ: DG M PV2 SCI 1000 FM
Obj. č.: 952519
nebo rovnocenný.

Certifikáty

 

Technologie SCI

Patentovaná technologie SCI od firmy DEHN zajišťuje aktivní, rychlé a bezpečné uhašení elektrického oblouku v případě přetížení. Pojistka integrovaná ve zkratovacím impulzu vybaví ihned po přerušení vzniklého oblouku a zajistí bezpečné elektrické odpojení. Díky tomu poskytují všechny vodiče pro fotovoltaiku od firmy DEHN ochranu před účinky přepětí, požárem a zdraví v jednom přístroji.

Technické informace

SPD podle ČSN EN 61643-31 / ... IEC 61643-31 typ 2/Třída II
Max. svorkové napětí FV (UCPV ) 1000 V
Zkratová pevnost (ISCPV ) 10 kA
Jmenovitý impulzní proud (8/20 µs) [(DC+/DC-) --> PE] (In ) 12,5 kA
Max. impulzní proud (8/20 µs) [(DC+/DC-) --> PE] (Imax ) 25 kA
Ochranná úroveň (UP ) ≤ 4 kV
Certifikace UL, KEMA
Kontakt dálkové signalizace/typ kontaktu přepínač

Produkt 952519 byl přidán na seznam.

K seznamu

Produkt 952519 byl přidán do nákupního košíku.


DEHNguard M SN1868

Vícepólový, modulární svodič přepětí s třístupňovým stejnosměrným odpojovacím a zkratovacím zařízením, pro fotovoltaické aplikace; s kontaktem dálkové signalizace pro systém monitorování stavu (bezpotenciálový přepínač).

1 Produkt

Obj. č. 999799 DG M PV2 SCI SN1868 FM

GTIN 4013364328723, Číslo celního sazebníku (EU): 85363030, Váha brutto: 598.30 g, Balící jednotka: 1.00 ks


Vyobrazení

Další informace

Svodič přepětí DEHNguard M PV2 SCI SN1868 FM
vícepólový, modulární, zásuvný svodič přepětí pro fotovoltaiku do 1000 V DC
s třístupňovým DC odpojovacím zařízením, šířka 5 TE
s kontaktem dálkové signalizace
typ 2 podle EN 61643-31
pro použití v souladu s IEC 60364-7-712
chrání 3 vstupy
bezpečné elektrické odpojení v ochranném modulu
maximální FV napětí: <= 1000 V dc
celkový impulzní proud: 40 kA
ochranná úroveň: <= 4 kV
zkratová pevnost Iscpv: 10 kA
ukazatel poruchy

Výrobek: DEHN
Typ: DG M PV2 SCI SN1868 FM
Obj. č.: 999799
nebo rovnocenný.

Certifikáty

 

Technologie SCI

Patentovaná technologie SCI od firmy DEHN zajišťuje aktivní, rychlé a bezpečné uhašení elektrického oblouku v případě přetížení. Pojistka integrovaná ve zkratovacím impulzu vybaví ihned po přerušení vzniklého oblouku a zajistí bezpečné elektrické odpojení. Díky tomu poskytují všechny vodiče pro fotovoltaiku od firmy DEHN ochranu před účinky přepětí, požárem a zdraví v jednom přístroji.

Technické informace

SPD podle ČSN EN 61643-31 / ... IEC 61643-31 typ 2/Třída II
Max. svorkové napětí FV (UCPV ) 1000 V
Zkratová pevnost (ISCPV ) 10 kA
Jmenovitý impulzní proud (8/20 µs) [(DC+/DC-) --> PE] (In ) 12,5 kA
Max. impulzní proud (8/20 µs) [(DC+/DC-) --> PE] (Imax ) 25 kA
Ochranná úroveň (UP ) ≤ 4 kV
Certifikace UL, KEMA
Kontakt dálkové signalizace/typ kontaktu přepínač

Produkt 999799 byl přidán na seznam.

K seznamu

Produkt 999799 byl přidán do nákupního košíku.


back to top