DEHNbloc Maxi 440/760

  • Svodič bleskových proudů na bázi jiskřiště
  • Schopnost svádět velmi vysoké bledkové proudy
  • Jiskřiště s technologií RADAX-Flow s vysokou schopností zhasnout nebo omezit následné proudy
  • Přímá koordinace se svodičem přepětí DEHNguard bez nutnosti vkládat oddělovací tlumivku nebo zajistit délku vedení
  • Funkční stav nebo porucha je signalizována zeleným/červeným terčíkem v signalizačním poli

Details

lorem ipsum

DEHNbloc Maxi 1 440 (FM)

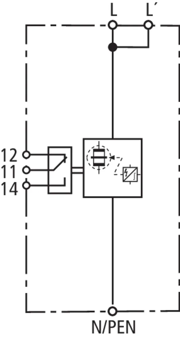
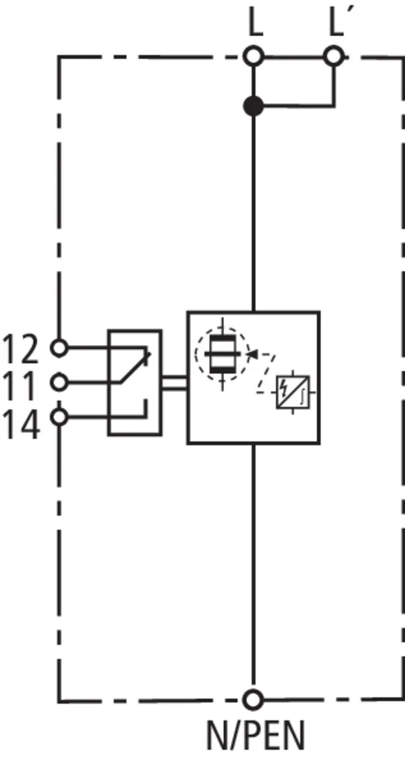
Jednopólový, koordinovaný svodič bleskových proudů pro sítě 400/690 V; s kontaktem dálkové signalizace pro systém monitorování stavu (bezpotenciálový přepínač).

2 Produkty

Obj. č. 961140 DBM 1 440

GTIN 4013364116269, Číslo celního sazebníku (EU): 85363090, Váha brutto: 592.00 g, Balící jednotka: 1.00 ks

Staré provedení

Vyobrazení

Další informace

Koordinovaný svodič bleskových proudů DEHNbloc Maxi 1 440
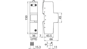
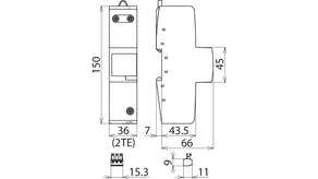
1 pólový, koordinovaný svodič bleskových proudů, šířka 2TE
svodič typ 1 podle ČSN EN 61643-11
s technologií RADAX-Flow
k omezení vysokých následných proudů
ukazatel poruchy
nejvyšší provozní napětí: 440 V ac
ochranná úroveň: <= 2,5 kV
bleskový proud (10/350): 35 kA
schopnost omezit následný proud: do 100 kAeff.
energetická koordinace podle ČSN EN 62305-4
svodič řady Red/Line

Výrobek: DEHN
Typ: DBM 1 440
Obj. č.: 961140
nebo rovnocenný.

Certifikáty

 

Funkce vlnolamu

V průběhu svádění protéká svodičem typ 1 na bázi jiskřiště celý bleskový proud. Jako při vlnolamu je příchozí energie velmi silně zlomena a tím je odlehčeno následujícímu svodiči přepětí. Všechny svodiče typ 1 řady Red/Line zajišťují funkci vlnolamu WBF.

Technické informace

SPD podle ČSN EN 61643-11 / ... IEC 61643-11 typ 1/Třída I
Nejvyšší provozní napětí AC (UC ) 440 V
Bleskový proud (10/350 µs) (Iimp ) 35 kA
Ochranná úroveň (UP ) ≤ 2,5 kV
Max. předjištění (L) do IK = 50 kAeff (ta ≤ 0,2 s) 500 A gG
Max. předjištění (L) do IK = 50 kAeff (ta ≤ 5 s) 250 A gG
Certifikace UL, CSA

Produkt 961140 byl přidán na seznam.

K seznamu

Produkt 961140 byl přidán do nákupního košíku.

Obj. č. 961145 DBM 1 440 FM

GTIN 4013364116276, Číslo celního sazebníku (EU): 85363090, Váha brutto: 601.60 g, Balící jednotka: 1.00 ks

Staré provedení

Vyobrazení

Další informace

Koordinovaný svodič bleskových proudů DEHNbloc Maxi 1 440 FM
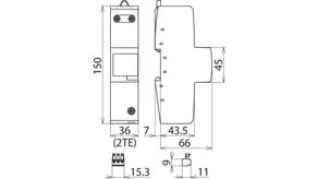
1 pólový, koordinovaný svodič bleskových proudů, šířka 2TE
svodič typ 1 podle ČSN EN 61643-11
s kontaktem dálkové signalizace
s technologií RADAX-Flow
k omezení vysokých následných proudů
ukazatel poruchy
nejvyšší provozní napětí: 440 V ac
ochranná úroveň: <= 2,5 kV
bleskový proud (10/350): 35 kA
schopnost omezit následný proud: do 100 kAeff.
energetická koordinace podle ČSN EN 62305-4
svodič řady Red/Line

Výrobek: DEHN
Typ: DBM 1 440 FM
Obj. č.: 961145
nebo rovnocenný.

Certifikáty

 

Funkce vlnolamu

V průběhu svádění protéká svodičem typ 1 na bázi jiskřiště celý bleskový proud. Jako při vlnolamu je příchozí energie velmi silně zlomena a tím je odlehčeno následujícímu svodiči přepětí. Všechny svodiče typ 1 řady Red/Line zajišťují funkci vlnolamu WBF.

Technické informace

SPD podle ČSN EN 61643-11 / ... IEC 61643-11 typ 1/Třída I
Nejvyšší provozní napětí AC (UC ) 440 V
Bleskový proud (10/350 µs) (Iimp ) 35 kA
Ochranná úroveň (UP ) ≤ 2,5 kV
Max. předjištění (L) do IK = 50 kAeff (ta ≤ 0,2 s) 500 A gG
Max. předjištění (L) do IK = 50 kAeff (ta ≤ 5 s) 250 A gG
Certifikace UL, CSA
Kontakt dálkové signalizace/typ kontaktu přepínač

Produkt 961145 byl přidán na seznam.

K seznamu

Produkt 961145 byl přidán do nákupního košíku.


DEHNbloc Maxi 1 760 FM

Jednopólový, koordinovaný svodič bleskových proudů pro sítě 690 V; s kontaktem dálkové signalizace pro systém monitorování stavu (bezpotenciálový přepínač).

1 Produkt

Obj. č. 961175 DBM 1 760 FM

GTIN 4013364116283, Číslo celního sazebníku (EU): 85363090, Váha brutto: 589.80 g, Balící jednotka: 1.00 ks


Vyobrazení

Další informace

Koordinovaný svodič bleskových proudů DEHNbloc Maxi 1 760 FM
1 pólový, koordinovaný svodič bleskových proudů, šířka 2TE
svodič typ 1 podle ČSN EN 61643-11
s kontaktem dálkové signalizace
s technologií RADAX-Flow
k omezení vysokých následných proudů
ukazatel poruchy
nejvyšší provozní napětí: 760 V ac
ochranná úroveň: <= 4 kV
bleskový proud (10/350): 25 kA
schopnost omezit následný proud: do 100 kAeff.
energetická koordinace podle ČSN EN 62305-4
svodič řady Red/Line

Výrobek: DEHN
Typ: DBM 1 760 FM
Obj. č.: 961175
nebo rovnocenný.

Certifikáty

 

Funkce vlnolamu

V průběhu svádění protéká svodičem typ 1 na bázi jiskřiště celý bleskový proud. Jako při vlnolamu je příchozí energie velmi silně zlomena a tím je odlehčeno následujícímu svodiči přepětí. Všechny svodiče typ 1 řady Red/Line zajišťují funkci vlnolamu WBF.

Technické informace

SPD podle ČSN EN 61643-11 / ... IEC 61643-11 typ 1/Třída I
Nejvyšší provozní napětí AC (UC ) 760 V
Bleskový proud (10/350 µs) (Iimp ) 25 kA
Ochranná úroveň (UP ) ≤ 4 kV
Max. předjištění (L) do IK = 25 kAeff (ta ≤ 5 s) 250 A gG
Certifikace UL, CSA
Kontakt dálkové signalizace/typ kontaktu přepínač

Produkt 961175 byl přidán na seznam.

K seznamu

Produkt 961175 byl přidán do nákupního košíku.


DEHNbloc Maxi 1 440 SN1885 FM

1 Produkt

Obj. č. 961148 DBM 1 440 SN1885 FM

GTIN 4013364475953, Číslo celního sazebníku (EU): 85363090, Váha brutto: 601.00 g, Balící jednotka: 1.00 ks


Vyobrazení

Další informace



Výrobek: DEHN
Typ: DBM 1 440 SN1885 FM
Obj. č.: 961148
nebo rovnocenný.

Certifikáty

 

Funkce vlnolamu

V průběhu svádění protéká svodičem typ 1 na bázi jiskřiště celý bleskový proud. Jako při vlnolamu je příchozí energie velmi silně zlomena a tím je odlehčeno následujícímu svodiči přepětí. Všechny svodiče typ 1 řady Red/Line zajišťují funkci vlnolamu WBF.

Technické informace

SPD podle ČSN EN 61643-11 / ... IEC 61643-11 typ 1/Třída I
Nejvyšší provozní napětí AC (UC ) 440 V
Bleskový proud (10/350 µs) (Iimp ) 35 kA
Ochranná úroveň (UP ) ≤ 2,5 kV
Max. předjištění (L) do IK = 50 kAeff (ta ≤ 0,2 s) 500 A gG
Max. předjištění (L) do IK = 50 kAeff (ta ≤ 5 s) 250 A gG
Kontakt dálkové signalizace/typ kontaktu přepínač

Produkt 961148 byl přidán na seznam.

K seznamu

Produkt 961148 byl přidán do nákupního košíku.


back to top