Stojany pro jímací tyče D40 a podpůrné trubky GFK/Al

Pro postavení s betonovými podstavci (hmotnost 17 kg). Přizpůsobení sklonu střechy do max. 10° prostřednictvím sady upevňovacích tyčí. Jímací tyče D40/podpůrné trubky GFK je třeba objednat zvlášť.

Stohovatelné betonové podstavce, podložky, sada upevňovacích tyčí pro umístění dalších betonových podstavců a sada adaptérů projímací tyče D40 jsou k dispozici samostatně jako příslušenství.

Poznámka: Informace o materiálové kompatibilitě držáků střešních vedení a podložek ve spojení s díly střechy si můžete vyžádat u DEHN.

Tříramenný stojan malý

Pro jímací tyče Ø 40, podpůrné trubky DEHNiso-Combi s jímacím hrotem / jímací tyčí nebo vodiče HVI vedené uvnitř/vně podpůrné trubky.
Připojení s dvojitou příložkou pro dva kulaté vodiče 8–10 mm [schopnost vést bleskový proud 100 kA (10/350 µs)].

1 Produkt

Obj. č. 107390 DBS KB D50 RA680 V2A

GTIN 4013364478466, Číslo celního sazebníku (EU): 85389099, Váha brutto: 7.75 kg, Balící jednotka: 1.00 ks

Staré provedení

Vyobrazení

Další informace

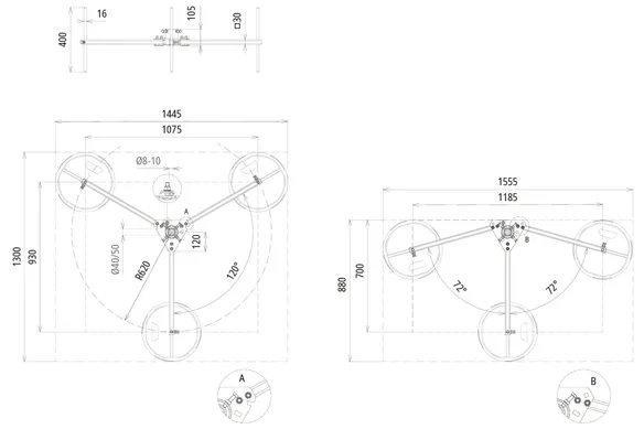
Tříramenný nerezový stojan malý (rozkládací provedení)
třířramenný stojan (rozkládací provedení) pro podpůrné trubky
D 50 mm se stranovým vývodem nebo
jímací tyče D40 mm s redukcí
s dvojitou příložkou pro připojení dvou drátů 8 – 10 mm
pro sestavení s betonovými podstavci (hmotnost 17 kg)
a přizpůsobením sklonu střechy do 10°.
Stohovatelné betonové podstavce (obj. č. 102 010)
podložky (obj. č. 102 050)
sadu upevňovacích tyčí (obj. č. 107 396)
sadu redukcí (obj. č. 107 399)
je třeba objednat zvlášť.
Stojany jsou dimenzovány podle Eurocode 1
(DIN EN 1991-1-4 + DIN EN 1991-1-4/NA).
Materiál stojanu: nerez
Připevnění: 50 a 40*) mm
Poloměr: 680 mm
Plošné rozměry stojanu: 1175 x 1020 mm

Výrobek: DEHN
Typ: DBS KB D50 RA680 V2A
Obj. č.: 107390
nebo rovnocenný.

Certifikáty

 

Technické informace

Materiál stojanu nerez
Připevnění 50 a 40*) mm
Poloměr 680 mm
Plošné rozměry stojanu 1175 x 1020 mm
*) Pouze se sadou adaptérů obj. č. 107 399.

Produkt 107390 byl přidán na seznam.

K seznamu

Produkt 107390 byl přidán do nákupního košíku.


Tříramenný stojan velký

Pro jímací tyče Ø 40, podpůrné trubky DEHNiso-Combi s jímacím hrotem / jímací tyčí nebo vodiče HVI vedené uvnitř/vně podpůrné trubky.
Připojení s dvojitou příložkou pro dva kulaté vodiče 8–10 mm [schopnost vést bleskový proud 100 kA (10/350 µs)].

1 Produkt

Obj. č. 107391 DBS KB D50 RA1330 V2A

GTIN 4013364478473, Číslo celního sazebníku (EU): 85389099, Váha brutto: 15.60 kg, Balící jednotka: 1.00 ks

Staré provedení

Vyobrazení

Další informace

Tříramenný nerezový stojan velký (rozkládací provedení)
třířramenný stojan (rozkládací provedení) pro podpůrné trubky
D 50 mm se stranovým vývodem nebo
jímací tyče D40 mm s redukcí
s dvojitou příložkou pro připojení dvou drátů 8 – 10 mm
pro sestavení s betonovými podstavci (hmotnost 17 kg)
a přizpůsobením sklonu střechy do 10°.
Stohovatelné betonové podstavce (obj. č. 102 010)
podložky (obj. č. 102 050)
sadu upevňovacích tyčí (obj. č. 107 396)
sadu redukcí (obj. č. 107 399)
je třeba objednat zvlášť.
Stojany jsou dimenzovány podle Eurocode 1
(DIN EN 1991-1-4 + DIN EN 1991-1-4/NA).
Materiál stojanu: nerez
Připevnění: 50 a 40*) mm
Poloměr: 1330 mm
Plošné rozměry stojanu: 2300 x 1995 mm

Výrobek: DEHN
Typ: DBS KB D50 RA1330 V2A
Obj. č.: 107391
nebo rovnocenný.

 

Technické informace

Materiál stojanu nerez
Připevnění 50 a 40*) mm
Poloměr 1330 mm
Plošné rozměry stojanu 2300 x 1995 mm
*) Pouze se sadou adaptérů obj. č. 107 399.

Produkt 107391 byl přidán na seznam.

K seznamu

Produkt 107391 byl přidán do nákupního košíku.


Čtyřramenný stojan malý

Pro jímací tyče Ø 40, Ø 50 a Ø 60, podpůrné trubky DEHNiso-Combi s jímacím hrotem / jímací tyčí nebo vodiče HVI vedené uvnitř/vně podpůrné trubky.
Připojení s dvojitou příložkou pro dva kulaté vodiče 8–10 mm [schopnost vést bleskový proud 100 kA (10/350 µs)].

1 Produkt

Obj. č. 107490 VBS KB D50 RA680 V2A

GTIN 4013364478480, Číslo celního sazebníku (EU): 85389099, Váha brutto: 10.38 kg, Balící jednotka: 1.00 ks


Vyobrazení

Další informace

Čtyřramenný nerezový stojan malý (rozkládací provedení)
čtyřramenný stojan (rozkládací provedení) pro podpůrné trubky
D 50 mm se stranovým vývodem nebo
jímací tyče D40 mm s redukcí
s dvojitou příložkou pro připojení dvou drátů 8 – 10 mm
pro sestavení s betonovými podstavci (hmotnost 17 kg)
a přizpůsobením sklonu střechy do 10°.
Stohovatelné betonové podstavce (obj. č. 102 010)
podložky (obj. č. 102 050)
sadu upevňovacích tyčí (obj. č. 107 496)
sadu redukcí (obj. č. 107 499)
je třeba objednat zvlášť.
Stojany jsou dimenzovány podle Eurocode 1
(DIN EN 1991-1-4 + DIN EN 1991-1-4/NA).
Materiál stojanu: nerez
Připevnění: 50 a 40*) mm
Poloměr: 680 mm
Plošné rozměry stojanu: 960 x 960 mm

Výrobek: DEHN
Typ: VBS KB D50 RA680 V2A
Obj. č.: 107490
nebo rovnocenný.

Certifikáty

 

Technické informace

Materiál stojanu nerez
Připevnění 50 a 40*) mm
Poloměr 680 mm
Plošné rozměry stojanu 960 x 960 mm
*) Pouze se sadou adaptérů obj. č. 107 399.

Produkt 107490 byl přidán na seznam.

K seznamu

Produkt 107490 byl přidán do nákupního košíku.


Čtyřramenný stojan velký

Pro jímací tyče Ø 40, Ø 50 a Ø 60, podpůrné trubky DEHNiso-Combi s jímacím hrotem / jímací tyčí nebo vodiče HVI vedené uvnitř/vně podpůrné trubky.
Připojení s dvojitou příložkou pro dva kulaté vodiče 8–10 mm [schopnost vést bleskový proud 100 kA (10/350 µs)].

1 Produkt

Obj. č. 107491 VBS KB D50 RA1330 V2A

GTIN 4013364478497, Číslo celního sazebníku (EU): 85389099, Váha brutto: 17.63 kg, Balící jednotka: 1.00 ks


Vyobrazení

Další informace

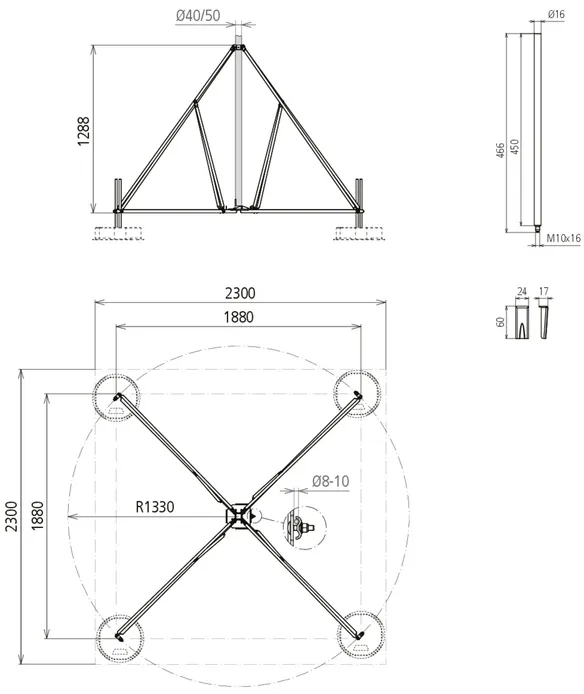
Čtyřramenný nerezový stojan velký (sklopné provedení)
Čtyřramenný stojan (sklopné provedení) pro podpůrné trubky
Ø 50 mm se stranovým vývodem nebo jímací tyče
Ø 40 mm s redukcí
S dvojitou příložkou pro připojení dvou kulatých vodičů 8–10 mm,
Pro postavení s betonovým podstavcem (hmotnost 17 kg)
Přizpůsobení sklonu střechy do max 10°
Stohovatelné betonové podstavce (obj. č. 102 010)
Podložka (obj. č. 102 050)
Sada upevňovacích tyčí (obj. č. 107 396)
Redukční sada (obj. č. 107 399)
je třeba objednat zvlášť.
Čtyřramenné stojany jsou dimenzovány podle
Eurokódu 1 (DIN EN 1991-1-4 + DIN EN 1991-1-4/NA)
.
Materiál stojanu: nerez
Připevnění: 50 a 40*) mm
Poloměr: 1330 mm
Plošné rozměry stojanu: 1880 x 1880 mm

Výrobek: DEHN
Typ: VBS KB D50 RA1330 V2A
Obj. č.: 107491
nebo rovnocenný.

 

Technické informace

Materiál stojanu nerez
Připevnění 50 a 40*) mm
Poloměr 1330 mm
Plošné rozměry stojanu 1880 x 1880 mm
*) Pouze se sadou adaptérů obj. č. 107 399.

Produkt 107491 byl přidán na seznam.

K seznamu

Produkt 107491 byl přidán do nákupního košíku.


Provedení rozkládací FeZn

Pro jímací tyče Ø 40 mm nebo podpůrné trubky Ø 50 mm s délkou 3200 mm (např. obj. č. 105 440 nebo 105 300), bez dalšího upevnění na konstrukce.
Připojení s dvojitou příložkou pro dva kulaté vodiče 8–10 mm [schopnost vést bleskový proud 100 kA (10/350 µs)].

3 Produkty

Obj. č. 105200 DBS KB D40.50 RA560 STTZN

GTIN 4013364095908, Číslo celního sazebníku (EU): 85389099, Váha brutto: 9.60 kg, Balící jednotka: 1.00 ks


Vyobrazení

Další informace

Tříramenný stojan pro jímací tyče, sklopné provedení, FeZn
Tříramenný stojan pro DEHNiso-Combi
určený pro upevnění podpůrných trubek
nebo jímacích tyčí Ø 40
s délkou 3200 mm
(např. obj. č. 105 300 nebo 105 440),
bez dalšího upevnění na
konstrukce
Přizpůsobení sklonu střechy do max 10°.
Stohovatelný betonový podstavec (obj. č. 102 010) a
podložku (obj. č. 102 050) je třeba objednat
samostatně.
Materiál stojanu: FeZn
Připevnění: Ø 40/50 mm
Poloměr: 560 mm
Plošné rozměry stojanu: 1200 x 1330 mm
Počet betonových podstavců: 6/9 kusů à 17 kg
Norma: ČSN EN 62561-1

Výrobek: DEHN
Typ: DBS KB D40.50 RA560 STTZN
Obj. č.: 105200
nebo rovnocenný.

Certifikáty

 

Technické informace

Materiál stojanu FeZn
Připevnění Ø 40/50 mm
Poloměr 560 mm
Plošné rozměry stojanu 1200 x 1330 mm
Norma ČSN EN 62561-1

Produkt 105200 byl přidán na seznam.

K seznamu

Produkt 105200 byl přidán do nákupního košíku.

Obj. č. 105351 DBS KB D40.50 RA620 STTZN

GTIN 4013364238916, Číslo celního sazebníku (EU): 85389099, Váha brutto: 11.50 kg, Balící jednotka: 1.00 ks


Vyobrazení

Další informace

Tříramenný stojan malý, pro vodič HVI, FeZn
Tříramenný stojan pro vodič HVI v podpůrné trubce
speciální provedení pro podpůrné trubky (délka 3200 mm).
Z důvodu dodržení poloměru ohybu vodiče HVI
pod tříramenným stojanem je třeba umístit dva
betonové podstavce pod každé rameno
a jeden nahoru na každé rameno.
Bez dalšího upevnění na konstrukce
Stojan umožňuje přizpůsobení sklonu střechy až do 10°.
Betonové podstavce (obj. č. 102 010)
a podložky (obj. č. 102 050) je třeba objednat zvlášť.
Tříramenné stojany jsou dimenzovány podle Eurocode 1
(DIN EN 1991-1-4 + DIN EN 1991-1-4/NA).
Materiál stojanu: FeZn
Připevnění: 40 / 50 mm
Poloměr: 620 mm
Plošné rozměry stojanu: 1300 x 1450 mm
Počet betonových podstavců: 3 - 12 ks á 17 kg

Výrobek: DEHN
Typ: DBS KB D40.50 RA620 STTZN
Obj. č.: 105351
nebo rovnocenný.

Certifikáty

 

Technické informace

Materiál stojanu FeZn
Připevnění 40 / 50 mm
Poloměr 620 mm
Plošné rozměry stojanu 1300 x 1450 mm

Produkt 105351 byl přidán na seznam.

K seznamu

Produkt 105351 byl přidán do nákupního košíku.

Obj. č. 105357 DBS KB D40.50 RA220 STTZN

GTIN 4013364527829, Číslo celního sazebníku (EU): 85389099, Váha brutto: 8.04 kg, Balící jednotka: 1.00 ks


Vyobrazení

Další informace

Kompaktní, výškově nastavitelný a sklopný tříramenný stojan
pro uchycení jímacích tyčí a podpůrných trubek
Ø 40 mm a Ø 50 mm
Možnost vyrovnání sklonu střechy až do 10°
Lze umístit až čtyři betonové podstavce
ke každé noze
Materiál stojanu: FeZn
Připevnění: 40 / 50 mm
Poloměr: 220 mm
Plošné rozměry stojanu: 668 x 718 mm
Počet betonových podstavců: 3 - 12 ks á 17 kg
Norma: DIN EN 62561-1

Výrobek: DEHN
Typ: DBS KB D40.50 RA220 STTZN
Obj. č.: 105357
nebo rovnocenný.

 

Technické informace

Materiál stojanu FeZn
Připevnění 40 / 50 mm
Poloměr 220 mm
Plošné rozměry stojanu 668 x 718 mm
Norma DIN EN 62561-1

Produkt 105357 byl přidán na seznam.

K seznamu

Produkt 105357 byl přidán do nákupního košíku.


Tříramenný stojan malý (výroba ukončena)

1 Produkt

Obj. č. 105290 DBS KB D40.50 RA590 V2A

GTIN 4013364126046, Číslo celního sazebníku (EU): 85389099, Váha brutto: 8.40 kg, Balící jednotka: 1.00 ks


Vyobrazení

Další informace

Tříramenný stojan pro jímací tyče, provedení rozkládací, nerez
Tříramenný stojan pro jímací tyče D40 a podpůrné trubky GFK/Al
pro sestavení s betonovými podstavci (hmotnost 17 kg)
vyrovnání sklonu střechy až do 10°
pomocí závitových tyčí M16.
Dimenzováno pro max. rychlost nárazového větru
do 145 km/h (větrná zóna II).
Jímací tyče D40/podpůrné trubky nebo betonové podstavce
(obj. č. 102 010) a podložky (obj. č. 102 050)
je nutno objednat zvlášť.
Materiál stojanu: nerez
Připevnění: Ø 40/50 mm
Poloměr: 590 mm
Plošné rozměry stojanu: 1230 x 1370 mm
Výška - počet betonových podstavců: 4000/4500 mm - 3 ks 5000/5500 mm - 6 ks

Výrobek: DEHN
Typ: DBS KB D40.50 RA590 V2A
Obj. č.: 105290
nebo rovnocenný.

 

Technické informace

Materiál stojanu nerez
Připevnění Ø 40/50 mm
Poloměr 590 mm
Plošné rozměry stojanu 1230 x 1370 mm

Produkt 105290 byl přidán na seznam.

K seznamu

Produkt 105290 byl přidán do nákupního košíku.


Provedení dělené nerez (výroba ukončena)

K uchycení jímače D40, podpůrné trubky DEHNiso-Combi s jímačem nebo podpůrné trubky s vodičem HVI uvnitř nebo vně podpůrné trubky.

1 Produkt

Obj. č. 105291 DBS KB D40.50 RA1100 V2A

GTIN 4013364126053, Číslo celního sazebníku (EU): 85389099, Váha brutto: 19.00 kg, Balící jednotka: 1.00 ks


Vyobrazení

Další informace

Tříramenný stojan pro jímací tyče, provedení dělené, nerez
Tříramenný stojan pro jímací tyče D40 a podpůrné trubky GFK/Al
pro sestavení s betonovými podstavci (hmotnost 17 kg)
vyrovnání sklonu střechy až do 10°
pomocí závitových tyčí M16.
Dimenzováno pro max. rychlost nárazového větru
do 145 km/h (větrná zóna II).
Jímací tyče D40/podpůrné trubky nebo betonové podstavce
(obj. č. 102 010) a podložky (obj. č. 102 050)
je nutno objednat zvlášť.
Materiál stojanu: nerez
Připevnění: Ø 40/50 mm
Poloměr: 1155 mm
Plošné rozměry stojanu: 2050 x 2300 mm
Výška - počet betonových podstavců: 6000/6500 mm - 6 ks 7000 - 8000 mm - 9 ks

Výrobek: DEHN
Typ: DBS KB D40.50 RA1100 V2A
Obj. č.: 105291
nebo rovnocenný.

Certifikáty

 

Technické informace

Materiál stojanu nerez
Připevnění Ø 40/50 mm
Poloměr 1155 mm
Plošné rozměry stojanu 2050 x 2300 mm

Produkt 105291 byl přidán na seznam.

K seznamu

Produkt 105291 byl přidán do nákupního košíku.


back to top